Fenitsa

Flanş Bağlantı Silindir (Ø mm)

Ø32
Ø40
Ø50
Ø63
Ø80
Ø100
Ø125
Ø160
Ø200
Ø250
Ø320
Fiyat Teklifi Al
Teknik Resim
3D Çizimler
Katalog
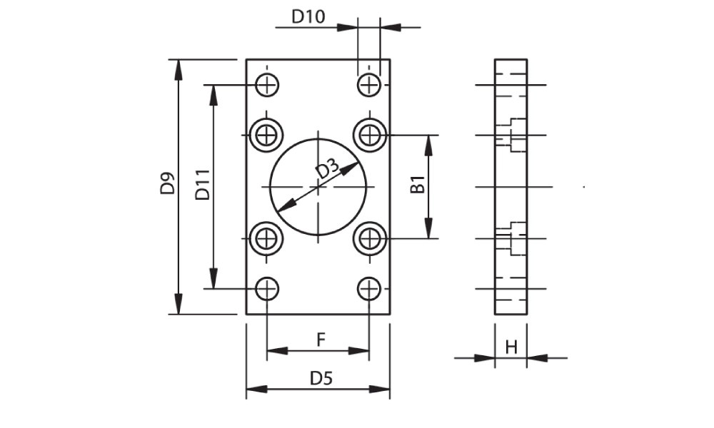
CETOP SERİSİ (PAG - PNS)
Silindir
(Ø mm)
B1 D3
Ø
D5 D9 D10
Ø
D11 F H L6 L7
32 32,5 30 45 77 7 64 32 10 16 130
40 39,6 35 54 90 9 72 36 10 20 145
50 48 40 65 110 9 90 45 12 25 155
63 59,4 42 80 125 9 100 50 15 25 170
80 70,7 48 96 154 12 126 63 18 30 190
100 93,4 52 126 186 14 150 75 18 35 205
CETOP SERİSİ (PNS)
Silindir
(Ø mm)
B1 D3
Ø
D5 D9 D10
Ø
D11 F H L6 L7
125 106 63 140 220 16 180 90 25 45 245
160 134,4 80 180 280 18 230 115 25 60 280
200 165,5 80 220 320 22 270 135 25 70 300
250 203,7 100 270 390 26 330 165 25 80 330
320 254,6 110 340 470 33 400 200 30 90 370
ISO SERİSİ
Silindir
(Ø mm)
B1 D3
Ø
D5 D9 D10
Ø
D11 F H L6 L7
32 32,5 30 45 80 7 64 32 10 16 130
40 38 35 54 90 9 72 36 10 20 145
50 46,5 40 65 110 9 90 45 12 25 155
63 56,5 45 76 120 9 100 50 12 25 170
80 72 45 94 150 12 126 63 16 30 190
100 89 55 112 175 14 150 75 16 35 205
125 110 60 145 220 16 180 90 20 45 245
160 140 65 186 280 18 230 115 20 60 280
200 175 75 220 320 22 270 135 25 70 300
250 220 90 270 390 26 330 165 25 80 330
320 270 110 340 470 33 400 200 30 90 370

Talep Formu

Teknik Resimler & 3D CAD Dosyaları

Tüm ölçüler STEP formatında indirilebilir
Ø32 Strok Uzunluğu
25 mmİNDİR
50 mmİNDİR
80 mmİNDİR
100 mmİNDİR
125 mmİNDİR
160 mmİNDİR
200 mmİNDİR
250 mmİNDİR
300 mmİNDİR
320 mmİNDİR
350 mmİNDİR
400 mmİNDİR
450 mmİNDİR
500 mmİNDİR
600 mmİNDİR
700 mmİNDİR
800 mmİNDİR
900 mmİNDİR
1000 mmİNDİR
Ø40 Strok Uzunluğu
25 mmİNDİR
50 mmİNDİR
80 mmİNDİR
100 mmİNDİR
125 mmİNDİR
160 mmİNDİR
200 mmİNDİR
250 mmİNDİR
300 mmİNDİR
320 mmİNDİR
350 mmİNDİR
400 mmİNDİR
450 mmİNDİR
500 mmİNDİR
600 mmİNDİR
700 mmİNDİR
800 mmİNDİR
900 mmİNDİR
1000 mmİNDİR
Ø50 Strok Uzunluğu
25 mmİNDİR
50 mmİNDİR
80 mmİNDİR
100 mmİNDİR
125 mmİNDİR
160 mmİNDİR
200 mmİNDİR
250 mmİNDİR
300 mmİNDİR
320 mmİNDİR
350 mmİNDİR
400 mmİNDİR
450 mmİNDİR
500 mmİNDİR
600 mmİNDİR
700 mmİNDİR
800 mmİNDİR
900 mmİNDİR
1000 mmİNDİR
Ø63 Strok Uzunluğu
25 mmİNDİR
50 mmİNDİR
80 mmİNDİR
100 mmİNDİR
125 mmİNDİR
160 mmİNDİR
200 mmİNDİR
250 mmİNDİR
300 mmİNDİR
320 mmİNDİR
350 mmİNDİR
400 mmİNDİR
450 mmİNDİR
500 mmİNDİR
600 mmİNDİR
700 mmİNDİR
800 mmİNDİR
900 mmİNDİR
1000 mmİNDİR
Ø80 Strok Uzunluğu
25 mmİNDİR
50 mmİNDİR
80 mmİNDİR
100 mmİNDİR
125 mmİNDİR
160 mmİNDİR
200 mmİNDİR
250 mmİNDİR
300 mmİNDİR
320 mmİNDİR
350 mmİNDİR
400 mmİNDİR
450 mmİNDİR
500 mmİNDİR
600 mmİNDİR
700 mmİNDİR
800 mmİNDİR
900 mmİNDİR
1000 mmİNDİR
Ø100 Strok Uzunluğu
25 mmİNDİR
50 mmİNDİR
80 mmİNDİR
100 mmİNDİR
125 mmİNDİR
160 mmİNDİR
200 mmİNDİR
250 mmİNDİR
300 mmİNDİR
320 mmİNDİR
350 mmİNDİR
400 mmİNDİR
450 mmİNDİR
500 mmİNDİR
600 mmİNDİR
700 mmİNDİR
800 mmİNDİR
900 mmİNDİR
1000 mmİNDİR