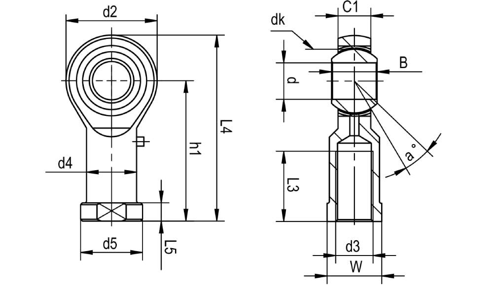
Mil Ucu Küresel Bağlantı Silindir (Ø mm)
Ø32
Ø40
Ø50
Ø63
Ø80
Ø100
Ø125
Ø160
Ø200
Ø250
Ø320


| ISO SERİSİ | ||||||||||||||
|---|---|---|---|---|---|---|---|---|---|---|---|---|---|---|
| Silindir (Ø mm) |
d | d3 | B | C1 | W | L3 | d2 | L4 | h1 | L5 | d4 | d5 | dk | α° |
| 32 | 10 | M10x1.25 | 14 | 10,5 | 17 | 20 | 26 | 56 | 43 | 6,5 | 15 | 19 | 19,05 | 13 |
| 40 | 12 | M12x1.25 | 16 | 12 | 19 | 22 | 30 | 65 | 50 | 6,5 | 17,5 | 22 | 22,225 | 13 |
| 50-63 | 16 | M16x1.5 | 21 | 15 | 22 | 28 | 40 | 84 | 64 | 8 | 22 | 27 | 28,575 | 15 |
| 80-100 | 20 | M20x1.5 | 25 | 18 | 30 | 33 | 50 | 102 | 77 | 10 | 27,5 | 34 | 34,925 | 14 |
| 125 | 30 | M27x2.0 | 37 | 25 | 41 | 51 | 70 | 145 | 110 | 15 | 40 | 50 | 50,8 | 17 |
| 160-200 | 35 | M36x2.0 | 43 | 28 | 50 | 56 | 81 | 165,5 | 125 | 17 | 46 | 58 | 57,1 | 16 |
| 250 | 40 | M42x2.0 | 49 | 33 | 55 | 60 | 91 | 187,5 | 142 | 19 | 53 | 65 | 66,6 | 17 |
| 320 | 50 | M48x2.0 | 60 | 45 | 65 | 65 | 117 | 218,5 | 160 | 23 | 65 | 75 | 82,5 | 12 |